|   | 
      
     | 
  
  
    |   | 
    
      | 
	
	 
	
		|   | 
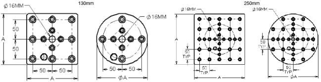
		五轴垫块顶板 | 
	
	
		|   | 
		
			
				
					
											
					
							
				
					| 
											
					 | 
					
						
							
								|      任何您现有的夹具中,为了达到精密快速换夹,您可将顶板转换为含有快速定位系统的栅格板。有正为一形或圆形可供选择。
								 | 
							 
								| 
								  | 
							 
								
						 											
					 | 
					
						
							- 材料:1018钢
 
							- 旱度公差:±0.13mm
 
							- 平面度和平行度:0.013mm以内
 										
							- 己安装硬化处理过的定位套
 
						 
					 | 
				 
			 
		 | 
	
	
		|   | 
		  | 
	
	
	
		|   | 
		            
			
              
                              
              	| 件号 | 
                类型 | 
                A 
                  (mm) | 
                板厚(mm) | 
                定位 |                                    
                装配 | 
                栅格孔 |                  
                重量 
                  Ibs (Kgs) | 
               
              
                | 5TP130002 | 
                圆形 | 
                130 | 
                35 | 
                中心自定位销,调整销 | 
                8mm内六角螺钉 | 
                12mm x 50mm | 
                7.09 (3.22) | 
               
              
                | 5TP250002 | 
                圆形 | 
                250 | 
                35 | 
                中心自定位销,调整销 | 
                8mm内六角螺钉 | 
                12mm x 50mm | 
                27.02 (12.26) | 
               
              
                | 5TP130001 | 
                正方形 | 
                130 | 
                35 | 
                中心自定位销,调整销 | 
                8mm内六角螺钉 | 
                12mm x 50mm | 
                8.97 (4.07) | 
               
              
                | 5TP250001 | 
                正方形 | 
                250 | 
                35 | 
                中心自定位销,调整销 | 
                8mm内六角螺钉 | 
                12mm x 50mm | 
                34.81 (15.79) | 
               
             		
		 | 
	
	
		|   | 
		  | 
	
  
    |   | 
     
      | 
	
	 
	
		|   | 
		五轴虎钳转换板 | 
	
	
		|   | 
		
			
				
					| 
											
					 | 
					
						
							
								
								  | 
								
									可将五轴虎钳底座转换为快速定位装夹。
									
										- 材料:1018钢
 
										- 旱度公差:±10.13mm
 
										- 平面度和平行度:0..013mm之内
 
										- 己安装硬化处理过的定位套
 										
									 
								 | 
							 
						 					
					 | 
				 
			 
		 | 
	
	
		|   | 
		            
			
              
                              
              	| 件号  |                     
              	类型 | 
                A 
                  (mm) |                 
                  B 
                  配套虎钳件号 | 
                板厚(mm) | 
                定位 |                                     
                装配 |                                     
                C(mm) | 
                重量 
                  Ibs (Kgs)  | 
               
              
                | 5VA130001 | 
                圆形 | 
                130 | 
                80001,80401 | 
                35 | 
                定位销 | 
                12mm内六角螺钉 | 
                100 | 
                6.9 (3.1) | 
               
              
                | 5VA250001 | 
                圆形 | 
                250 | 
                80101 | 
                35 | 
                中心定位销,调整销 | 
                12mm内六角螺钉 | 
                200 | 
                27 (12.2) | 
               
              
                | 5VA130002 | 
                圆形 | 
                130 | 
                80001,80401 | 
                50 | 
                快换螺栓 | 
                20mm快换系统 | 
                100 | 
                7.4 (3.4) | 
               
              
                | 5VA250002 | 
                圆形 | 
                250 | 
                80101 | 
                35 | 
                快换螺栓 | 
                20mm快换系统 | 
                200 | 
                27.5 (12.5) | 
               
             		
		 | 
	
 
	
		 | 
		 | 
	
	
		|   | 
		
							
								| 虎钳底座定位销可供选择。详情可致电。 | 
								
								  | 								
							 
						 		
		 | 
	
	
	
		|   | 
		 | 
	
	
	
	     | 
	     | 
	
   
  
    |   | 
    
	
	 | 
  
  
  
    |   | 
     |