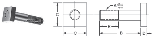
件 号   | 
                螺纹 
                  尺寸 
                  A  | 
                B   | 
                C   | 
                D   | 
                E   | 
                重量 
                  (磅)   | 
               
 
                42101   | 
                3/8-16   | 
                1 1/2  | 
                11/16  | 
                1/4   | 
                3/4   | 
                .07   | 
               
                42102   | 
                3/8-16   | 
                2  | 
                11/16  | 
                1/4   | 
                1    1/4   | 
                .08   | 
               
 
                42103   | 
                3/8-16   | 
                2 1/2  | 
                11/16  | 
                1/4   | 
                1    1/4   | 
                .09   | 
               
                42104   | 
                3/8-16   | 
                3   | 
                11/16  | 
                1/4   | 
                1    1/2   | 
                .11   | 
               
 
                42105   | 
                3/8-16   | 
                3 1/2  | 
                11/16  | 
                1/4   | 
                1    1/2   | 
                .12   | 
               
                42106   | 
                3/8-16   | 
                4   | 
                11/16  | 
                1/4   | 
                1    1/2   | 
                .14   | 
               
 
                42301   | 
                1/2-13   | 
                1 1/2  | 
                7/8  | 
                1/4   | 
                3/4   | 
                .12   | 
               
                42302   | 
                1/2-13   | 
                2  | 
                7/8  | 
                1/4   | 
                1    1/4   | 
                .14   | 
               
 
                42303   | 
                1/2-13   | 
                2 1/2  | 
                7/8  | 
                1/4   | 
                1    1/4   | 
                .17   | 
               
                42304   | 
                1/2-13   | 
                3   | 
                7/8  | 
                1/4   | 
                1 1/2   | 
                .20   | 
               
 
                42305   | 
                1/2-13   | 
                3 1/2  | 
                7/8  | 
                1/4   | 
                1    1/2   | 
                .22   | 
               
                42306   | 
                1/2-13   | 
                4   | 
                7/8  | 
                1/4   | 
                2   | 
                .25   | 
               
 
                42307   | 
                1/2-13   | 
                4 1/2  | 
                7/8  | 
                1/4   | 
                2   | 
                .27   | 
               
                42308   | 
                1/2-13   | 
                5   | 
                7/8  | 
                1/4   | 
                2   | 
                .30   | 
               
 
                42309   | 
                1/2-13   | 
                5 1/2  | 
                7/8  | 
                1/4   | 
                2   | 
                .33   | 
               
                42310   | 
                1/2-13   | 
                6   | 
                7/8  | 
                1/4   | 
                2   | 
                .36   | 
               
 
                42502   | 
                5/8-11   | 
                2  | 
                1 1/8  | 
                3/8   | 
                1    1/4   | 
                .28   | 
               
                42503   | 
                5/8-11   | 
                2 1/2  | 
                1 1/8  | 
                3/8   | 
                1    1/4   | 
                .33   | 
               
 
                42504   | 
                5/8-11   | 
                3   | 
                1 1/8  | 
                3/8   | 
                1    1/2   | 
                .37   | 
               
                42505   | 
                5/8-11   | 
                3 1/2  | 
                1 1/8  | 
                3/8   | 
                1    1/2   | 
                .41   | 
               
 
                42506   | 
                5/8-11   | 
                4   | 
                1 1/8  | 
                3/8   | 
                1    1/2   | 
                .44   | 
               
                42507   | 
                5/8-11   | 
                5   | 
                1 1/8  | 
                3/8   | 
                1    1/2   | 
                .53   | 
               
 
                42508   | 
                5/8-11   | 
                6   | 
                1 1/8  | 
                3/8   | 
                1    1/2   | 
                .61   | 
               
                42509   | 
                5/8-11   | 
                8   | 
                1 1/8  | 
                3/8   | 
                3   | 
                .78   | 
               
 
                42510   | 
                5/8-11   | 
                10   | 
                1 1/8  | 
                3/8   | 
                3   | 
                .97   | 
               
                42511   | 
                5/8-11   | 
                12   | 
                1 1/8  | 
                3/8   | 
                3   | 
                1.13   | 
               
              | 
            
              
                件 号   | 
                螺纹 
                  尺寸 
                  A  | 
                B   | 
                C   | 
                D   | 
                E   | 
                重量 
                  (磅)  | 
               
 
                42701   | 
                3/4-10   | 
                2    1/2   | 
                1    1/4   | 
                1/2   | 
                1    1/4   | 
                .48   | 
               
                42701   | 
                3/4-10   | 
                3   | 
                1    1/4   | 
                1/2   | 
                1    1/2   | 
                .55   | 
               
 
                42703   | 
                3/4-10   | 
                3    1/2   | 
                1    1/4   | 
                1/2   | 
                1    1/2   | 
                .61   | 
               
                42704   | 
                3/4-10   | 
                4   | 
                1    1/4   | 
                1/2   | 
                1    1/2   | 
                .66   | 
               
 
                42705   | 
                3/4-10   | 
                5   | 
                1    1/4   | 
                1/2   | 
                1    1/2   | 
                .78   | 
               
                42706   | 
                3/4-10   | 
                6   | 
                1    1/4   | 
                1/2   | 
                1    1/2   | 
                .90   | 
               
 
                42707   | 
                3/4-10   | 
                8   | 
                1    1/4   | 
                1/2   | 
                3   | 
                1.17   | 
               
                42708   | 
                3/4-10   | 
                10   | 
                1    1/4   | 
                1/2   | 
                3   | 
                1.38   | 
               
 
                42709   | 
                3/4-10   | 
                12   | 
                1    1/4   | 
                1/2   | 
                3   | 
                1.62   | 
               
                42901   | 
                1-8   | 
                4   | 
                1    11/16   | 
                11/16   | 
                2    1/2   | 
                1.25   | 
               
 
                42902   | 
                1-8   | 
                5   | 
                1    11/16   | 
                11/16   | 
                2    1/2   | 
                1.50   | 
               
                42903   | 
                1-8   | 
                6   | 
                1    11/16   | 
                11/16   | 
                2    1/2   | 
                1.75   | 
               
 
                42911   | 
                1-8   | 
                7   | 
                1    11/16   | 
                11/16   | 
                2    1/2   | 
                1.88   | 
               
                42904   | 
                1-8   | 
                8   | 
                1    11/16   | 
                11/16   | 
                3   | 
                2.00   | 
               
 
                42912   | 
                1-8   | 
                9   | 
                1    11/16   | 
                11/16   | 
                3   | 
                2.25   | 
               
                42905   | 
                1-8   | 
                10   | 
                1    11/16   | 
                11/16   | 
                3   | 
                2.50   | 
               
 
                42906   | 
                1-8   | 
                12   | 
                1    11/16   | 
                11/16   | 
                3   | 
                3.00   | 
               
                42907   | 
                1-8   | 
                14   | 
                1    11/16   | 
                11/16   | 
                3   | 
                3.50   | 
               
 
                43003   | 
                1    1/4-7   | 
                8   | 
                1    7/8   | 
                7/8   | 
                5   | 
                3.65   | 
               
                43004   | 
                1    1/4-7   | 
                9   | 
                1    7/8   | 
                7/8   | 
                5   | 
                4.00   | 
               
 
                43005   | 
                1    1/4-7   | 
                10   | 
                1    7/8   | 
                7/8   | 
                5   | 
                4.35   | 
               
                43006   | 
                1    1/4-7   | 
                12   | 
                1    7/8   | 
                7/8   | 
                5   | 
                5.05   | 
               
 
                43007   | 
                1    1/4-7   | 
                14   | 
                1    7/8   | 
                7/8   | 
                5   | 
                5.75   | 
               
                43008   | 
                1    1/4-7   | 
                16   | 
                1    7/8   | 
                7/8   | 
                5   | 
                6.45   | 
               
 
                43009   | 
                1    1/4-7   | 
                18   | 
                1    7/8   | 
                7/8   | 
                5   | 
                7.15   | 
               
                43011   | 
                1    1/4-7   | 
                22   | 
                1    7/8   | 
                7/8   | 
                5   | 
                8.20   | 
               
 
                43012   | 
                1    1/4-7   | 
                24   | 
                1    7/8   | 
                7/8   | 
                5   | 
                9.25   | 
               
              |